Мотопьянь ТЕАМ
МотоЦентр 78
Разместил: mongolor - Суббота, 29 Ноября 2025 22:10
потом как-нибудь соберемся. не торопитесь
параллельный компаратор с внешним управлением отсечки

 
Начать новую тему   Ответить на тему    Список форумов МОТОПЬЯНЬ ТЕАМ -> Выхлопная труба
 
Автор Сообщение
Полный превед
Скорость 250 км/ч

Возраст: 56
Сообщения: 785
Откуда: лада калина желтая
На чем ездит: я дурак, я гавно! а больше всего на свете я люблю пердеть....

СообщениеДобавлено: 02 Январь 2010 22:45    Заголовок сообщения: параллельный компаратор с внешним управлением отсечки Ответить с цитатой

ХУЙ
:cranky:
Вернуться к началу
Посмотреть профиль Отправить личное сообщение Отправить e-mail Посетить сайт автора
VETALEG
Да, я Олень
Да, я Олень

Возраст: 37
Сообщения: 20135
Откуда: оттуда
На чем ездит: BM Smile 1997

СообщениеДобавлено: 04 Январь 2010 12:35    Заголовок сообщения: Ответить с цитатой

как это по-Гламуровски image020
_________________
.. некий асоциальный человек, у которого постоянно какие-то тёрки с другими людьми...©
Мотоциклисты - это в первую очередь отважные рыцари дорог. и только во вторую - пьяное быдло...©
ПНХ, ХПЖ image108
Union road club
Вернуться к началу
Посмотреть профиль Отправить личное сообщение ICQ Number
Evgenikk
тиранчеГ Мотопьянь Теам
тиранчеГ Мотопьянь Теам

Возраст: 42
Сообщения: 8282
Откуда: Питер
На чем ездит: AR147

СообщениеДобавлено: 06 Январь 2010 2:25    Заголовок сообщения: Ответить с цитатой

Компаратор (аналоговых сигналов) — электронная схема, принимающая на свои входы два аналоговых сигнала и выдающая логический «0» или «1», в зависимости от того, какой из сигналов больше.

Добавлено спустя 28 секунд:


_________________
мопед охуенный. сам езжу.
Вернуться к началу
Посмотреть профиль Отправить личное сообщение Посетить сайт автора
Nicholaes
Мотоупырь МТ
Мотоупырь МТ

Возраст: 52
Сообщения: 3070
Откуда: Ленинград
На чем ездит: Honda SH50

СообщениеДобавлено: 06 Январь 2010 3:06    Заголовок сообщения: Ответить с цитатой

Evgenikk писал(а):
Компаратор (аналоговых сигналов) — электронная схема, принимающая на свои входы два аналоговых сигнала и выдающая логический «0» или «1», в зависимости от того, какой из сигналов больше.

Правильно. А теперь расскажите нам про компаратор с гистерезисом.

_________________
За Родину, за Сталина!
Если у Вас паранойя, это еще не значит, что за Вами не следят.
Разве Pentium-M - это мобильность? Настоящая мобильность - это Тополь-М!
Я за свободную продажу оружия.
Вернуться к началу
Посмотреть профиль Отправить личное сообщение ICQ Number
TrEsH
Скорость 180 км/ч

Возраст: 37
Сообщения: 402
Откуда: Выборгский район СПБ
На чем ездит: Fazer

СообщениеДобавлено: 06 Январь 2010 4:10    Заголовок сообщения: Ответить с цитатой

Компараторы массы предназначены для определения массы с высокой точностью методом сличения. Компараторы массы применятся для поверки и калибровки гирь, для определения массы деталей, требующих высокой точности изготовления, массы дорогостоящих материалов.Компараторы массы используются в лабораториях государственных метрологических служб, а также в лабораториях метрологических служб юридических лиц.Кроме того, компараторы массы применяются в промышленности для весового контроля высокой точности, как, например, при изготовлении деталей авиационных двигателей внутреннего сгорания или при изготовлении гирь высокой точности.

Добавлено спустя 3 минуты 13 секунд:

Вернуться к началу
Посмотреть профиль Отправить личное сообщение ICQ Number
Evgenikk
тиранчеГ Мотопьянь Теам
тиранчеГ Мотопьянь Теам

Возраст: 42
Сообщения: 8282
Откуда: Питер
На чем ездит: AR147

СообщениеДобавлено: 06 Январь 2010 22:05    Заголовок сообщения: Ответить с цитатой

Nicholaes писал(а):
А теперь расскажите нам про компаратор с гистерезисом.


Очень часто схема компаратора должна обеспечивать гистерезис с заданными в разрабатываемой схеме порогами включения THR V и выключения THF V и полосой гистерезиса HB V . Среди ИМС компараторов имеются образцы со встроенным гистерезисом, например, max920H обеспечивает встроенный гистерезис 4 мВ. Однако, величина встроенного гистерезиса фиксирована и часто неудовлетворяет требованиям схемы. Ниже приводится описание расчета схемы компаратора с гистерезисом для заданных порогов переключения. Расчет взят из документации на компаратор МАХ917-MAX920. Дополнительно приводятся пояснения к выводу формул для порогов, а также оценка влияния отклонения применяемых резисторов на отклонения порогов срабатывания.

Гистерезис формируется тремя резисторами с использованием положительной обратной связи для ИМС компаратора. Такая схема может быть инверсной (выход переходит в низкое состояние при превышении входным сигналом порога), так и без инверсии. Это достигается сменой точек подачи входного Vin и опорного Vref напряжений.



comparator.gif
 Описание:
 Размер файла:  11.02 KB
 Просмотрено:  11974 раз(а)

comparator.gif



_________________
мопед охуенный. сам езжу.
Вернуться к началу
Посмотреть профиль Отправить личное сообщение Посетить сайт автора
Nicholaes
Мотоупырь МТ
Мотоупырь МТ

Возраст: 52
Сообщения: 3070
Откуда: Ленинград
На чем ездит: Honda SH50

СообщениеДобавлено: 06 Январь 2010 22:57    Заголовок сообщения: Ответить с цитатой

Великолепно! По веб-серфингу - зачОт!! Осталось разобраться с компараторами... Будет ли схема отличаться от приведенной на рис. 1, если вместо LMX393 использовать MAX917? А MAX918? (различием в нумерации выводов пренебречь)
_________________
За Родину, за Сталина!
Если у Вас паранойя, это еще не значит, что за Вами не следят.
Разве Pentium-M - это мобильность? Настоящая мобильность - это Тополь-М!
Я за свободную продажу оружия.
Вернуться к началу
Посмотреть профиль Отправить личное сообщение ICQ Number
Evgenikk
тиранчеГ Мотопьянь Теам
тиранчеГ Мотопьянь Теам

Возраст: 42
Сообщения: 8282
Откуда: Питер
На чем ездит: AR147

СообщениеДобавлено: 07 Январь 2010 2:25    Заголовок сообщения: Ответить с цитатой

Nicholaes писал(а):
использовать MAX917? А MAX918?



comparator2.gif
 Описание:
 Размер файла:  3.31 KB
 Просмотрено:  11946 раз(а)

comparator2.gif



_________________
мопед охуенный. сам езжу.
Вернуться к началу
Посмотреть профиль Отправить личное сообщение Посетить сайт автора
Nicholaes
Мотоупырь МТ
Мотоупырь МТ

Возраст: 52
Сообщения: 3070
Откуда: Ленинград
На чем ездит: Honda SH50

СообщениеДобавлено: 07 Январь 2010 2:33    Заголовок сообщения: Ответить с цитатой

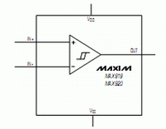
Ответ неполный. Для наглядности - тот же вопрос, но с МАХ919 и МАХ920. В каком случае и чем схема будет отличаться от приведенной на рис.1?
_________________
За Родину, за Сталина!
Если у Вас паранойя, это еще не значит, что за Вами не следят.
Разве Pentium-M - это мобильность? Настоящая мобильность - это Тополь-М!
Я за свободную продажу оружия.
Вернуться к началу
Посмотреть профиль Отправить личное сообщение ICQ Number
Evgenikk
тиранчеГ Мотопьянь Теам
тиранчеГ Мотопьянь Теам

Возраст: 42
Сообщения: 8282
Откуда: Питер
На чем ездит: AR147

СообщениеДобавлено: 07 Январь 2010 2:41    Заголовок сообщения: Ответить с цитатой

Цитата:
Ответ неполный.



comparator3.gif
 Описание:
 Размер файла:  5.41 KB
 Просмотрено:  11937 раз(а)

comparator3.gif



_________________
мопед охуенный. сам езжу.
Вернуться к началу
Посмотреть профиль Отправить личное сообщение Посетить сайт автора
Nicholaes
Мотоупырь МТ
Мотоупырь МТ

Возраст: 52
Сообщения: 3070
Откуда: Ленинград
На чем ездит: Honda SH50

СообщениеДобавлено: 07 Январь 2010 2:54    Заголовок сообщения: Ответить с цитатой

Значит, не заметил...

Output type: Push/Pull для 917 и 919. R4 для них исключаем из схемы. Встроенный гистерезис и опорник - менее существенная разница. Компараторы с открытым коллектором (918, 920, LMX393) ты можешь собрать в кучку на одном нагрузочном резисторе (R4), получишь шинное "или". Если соберешь так же пуш-пульники, получишь обугленные корпуса (если нет защиты по току)

_________________
За Родину, за Сталина!
Если у Вас паранойя, это еще не значит, что за Вами не следят.
Разве Pentium-M - это мобильность? Настоящая мобильность - это Тополь-М!
Я за свободную продажу оружия.
Вернуться к началу
Посмотреть профиль Отправить личное сообщение ICQ Number
Evgenikk
тиранчеГ Мотопьянь Теам
тиранчеГ Мотопьянь Теам

Возраст: 42
Сообщения: 8282
Откуда: Питер
На чем ездит: AR147

СообщениеДобавлено: 07 Январь 2010 14:42    Заголовок сообщения: Ответить с цитатой

Коля, я в этом нихуя не понимаю))
_________________
мопед охуенный. сам езжу.
Вернуться к началу
Посмотреть профиль Отправить личное сообщение Посетить сайт автора
Nicholaes
Мотоупырь МТ
Мотоупырь МТ

Возраст: 52
Сообщения: 3070
Откуда: Ленинград
На чем ездит: Honda SH50

СообщениеДобавлено: 07 Январь 2010 14:50    Заголовок сообщения: Ответить с цитатой

Дык, я ж и говорю - по веб-серфингу - зачОт!!! image001 image001 image001
_________________
За Родину, за Сталина!
Если у Вас паранойя, это еще не значит, что за Вами не следят.
Разве Pentium-M - это мобильность? Настоящая мобильность - это Тополь-М!
Я за свободную продажу оружия.
Вернуться к началу
Посмотреть профиль Отправить личное сообщение ICQ Number
Evgenikk
тиранчеГ Мотопьянь Теам
тиранчеГ Мотопьянь Теам

Возраст: 42
Сообщения: 8282
Откуда: Питер
На чем ездит: AR147

СообщениеДобавлено: 07 Январь 2010 15:30    Заголовок сообщения: Ответить с цитатой

:rulez:
_________________
мопед охуенный. сам езжу.
Вернуться к началу
Посмотреть профиль Отправить личное сообщение Посетить сайт автора
B0ris
Скорость 120 км/ч

Возраст: 46
Сообщения: 103
Откуда: Санкт-Петербург
На чем ездит: Gilera Runner FXR, Aprilia SR50

СообщениеДобавлено: 08 Январь 2010 2:12    Заголовок сообщения: Ответить с цитатой

Улыбнуло. image011
Вернуться к началу
Посмотреть профиль Отправить личное сообщение Посетить сайт автора ICQ Number
BiM
человек-МОТОПЬЯНЬ!
человек-МОТОПЬЯНЬ!

Возраст: 27
Сообщения: 2323
Откуда: Питер, Комендатский
На чем ездит: на всем

СообщениеДобавлено: 10 Январь 2010 1:02    Заголовок сообщения: Ответить с цитатой

http://www.youtube.com/watch?v=1WOcAGRQpf8&feature=related
Вернуться к началу
Посмотреть профиль Отправить личное сообщение Отправить e-mail ICQ Number
Показать сообщения:   
Начать новую тему   Ответить на тему    Список форумов МОТОПЬЯНЬ ТЕАМ -> Выхлопная труба Часовой пояс: GMT + 3
Страница 1 из 1

 
Перейти:  
Вы не можете начинать темы
Вы не можете отвечать на сообщения
Вы не можете редактировать свои сообщения
Вы не можете удалять свои сообщения
Вы не можете голосовать в опросах
Вы не можете вкладывать файлы
Вы можете скачивать файлы
Страница сгенерированна за 0.00288 секунд с 11 обращениями в базу данных